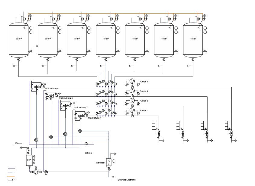
Molcharmaturen
RĂŒckschlagventile, Doppelsitzventile und
Molcharmaturblöcke von WE-HA sorgen fĂŒr Prozesssicherheit
und prÀzise Steuerung im Molchsystem.
Totraumfreie Konstruktionen, hochwertige Materialien und einfache Wartung garantieren
lange Lebensdauer und zuverlÀssige Funktion.
Molchbare Kugelventile
Unsere totraumfreien, hygienischen Kugelventile sind vollstÀndig molchbar und
in 2-Wege-, 3-Wege- oder T-Ventilkombinationen erhÀltlich.
Ideal als Produkt-Ein- oder Ausgang in Molchleitungen â
robust, CIP-/SIP-fÀhig und in Edelstahl gefertigt.
VerfĂŒgbar in Nennweiten DN 25 â DN 125 (andere auf Anfrage).
Ihre Vorteile mit WE-HA Molchtechnik
- â Komplettsysteme aus einer Hand â Molch, Weiche, Station, Ventil & Armatur perfekt aufeinander abgestimmt
- â Hygienische, totraumfreie Konstruktionen aus Edelstahl
- â CIP-/SIP-fĂ€hig fĂŒr automatisierte Reinigung und Sterilprozesse
- â Individuell anpassbar fĂŒr jede Anlagenkonfiguration
- â Nennweiten DN 25 â DN 125, SondergröĂen auf Anfrage
Branchen & Anwendungen
- Pharmazeutische und biotechnologische Prozesse
- Lebensmittel- und GetrÀnkeindustrie
- Kosmetik- und Pflegeproduktherstellung
- Chemische Industrie, Farben- und Lackproduktion
Besonderheiten
WE-HA steht fĂŒr individuelle Lösungen in der Molchtechnik.
Unsere Systeme werden prĂ€zise auf Ihre Prozessanforderungen abgestimmt â
von der einfachen Molchleitung bis zur vollautomatisierten CIP-/SIP-Anlage.
Durch unsere eigene Fertigung garantieren wir höchste QualitÀt, FlexibilitÀt und Nachhaltigkeit.














